Polyurethane (PU) elastomer die set is a composite mold system that combines a metal frame and polyurethane elastomer. It can effectively absorb the impact force during sheet metal stamping or forming, reduce the wear of metal molds, and protect the surface of sheet metal parts from scratches.. for the angle and V opening, we can make it according to your bending request.
Polyurethane (PU) elastomer die set is a composite mold system that combines a metal frame and polyurethane elastomer. It can effectively absorb the impact force during sheet metal stamping or forming, reduce the wear of metal molds, and protect the surface of sheet metal parts from scratches.. for the angle and V opening, we can make it according to your bending request.
Standard 4v dies, V16,V22,V35,V50 with 85 degree and 88degree. the size is 60*60*835mm, material 42CrMo4 .the weight is 15.6kg. the material is 42CrMo4, hardness is HRC47+/-3.
V8 and V12 bend 1-1.5mm sheet metal plate, the square die size:60*60*835mm, V8-V12, 90degree. the weight is 21kg. the material is 42CrMo4, hardness is HRC47+/-3.
V8 and V12 bend 1-1.5mm sheet metal plate, the die size:46*50*835mm, V8-V12, 30degree. the weight is 13.2kg. the material is 42CrMo4, hardness is HRC47+/-3.
The T-V die size:120*60*835mm, V12, 30degree. the material is 42CrMo4, hardness is HRC52-58. 88°, 85°, 80°, 60°, 45°, 35°, 30°, 26° and V6, V8, V10, V16, V20, V25 can be made according to customer's request.
V125 bend 16mm sheet metal plate, the die size:103*154*835mm, 80degree, R15. the weight is 61.2kg. the material is 42CrMo4, hardness is HRC47+/-3. for the angle and V opening, we can make it according to your bending request.
The V40 die for bending 6.25mm plate, the die size:60*60*835mm, 85degree. the weight is 20.4kg. the material is 42CrMo4, hardness is HRC47+/-3. for the angle and V opening, we can make it according to your bending request.
V32 can bend 4mm sheet metal plate, the single V die size: 60*60*835mm, V32, 85degree. the weight is 21.5kg, and it can be segment. the material is 42CrMo4, hardness is HRC52-58.
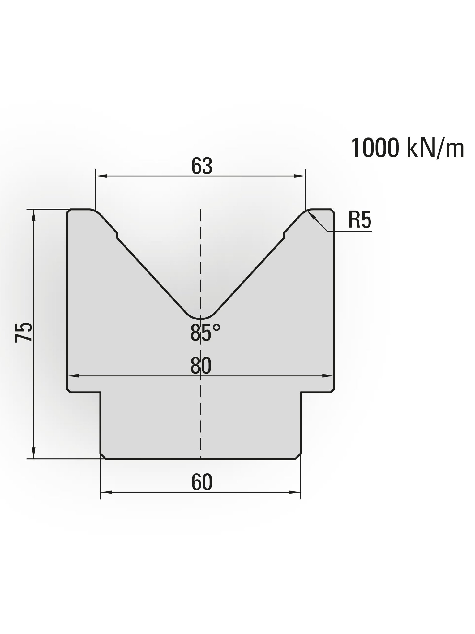
V63 bend 8mm sheet metal plate, the single v die size:75*80*835mm, V63, 85 degree. the weight is 28.5kg. the material is 42CrMo4, hardness is HRC52-58. and it will be used with the die holder together.
Whether you need standard or custom tool, we support OEM & ODM & wholesale orders with competitive prices. If you don't know how to choose the tools for you workpiece, pls provide your workpiece size, plate thickness, radius,angle, material and so on.