Cost-Effective Multi V Toolling, Factory Direct Supply Multi V Lower Press Brake Dies
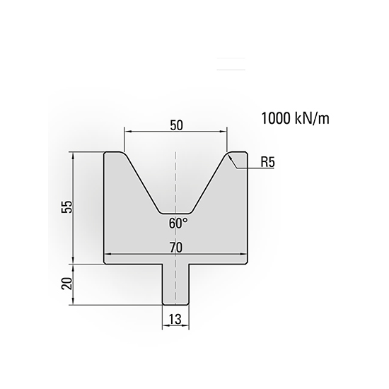
The bending machine multi V lower die is a commonly used CNC bending mold for metal sheet processing. Its characteristic is that the lower die surface has multiple V-shaped grooves of different widths (such as V32, V50, V100, etc.), which can adapt to various plate thicknesses and bending angle requirements, improving processing flexibility and efficiency.
This type of mold is usually made of high-strength alloy steel - 42CrMo, and after high-temperature quenching treatment, the hardness can reach HRC47 °± 2 °, ensuring wear resistance and structural stability. Multi V lower molds are mostly square structures with slots on all four sides, supporting continuous bending operations at multiple angles and sizes. They are widely used in industries such as sheet metal manufacturing, chassis and cabinets, and pipeline processing.
Read More