Chat Now
Chat Now
Welcome to online chat! If you have any questions or suggestions, please send them to us online, we will reply you as soon as we can!
submit

Language

English
Hemming Tools /  Flatten Tooling
Home Products Bending Solutions

Hemming Tools / Flatten Tooling

Hi! How can we help?
You can contact us any way that is convenient for you. We are available 24/7 via fax, email or telephone.
Contact Us
New Products

Hemming Tools / Flatten Tooling

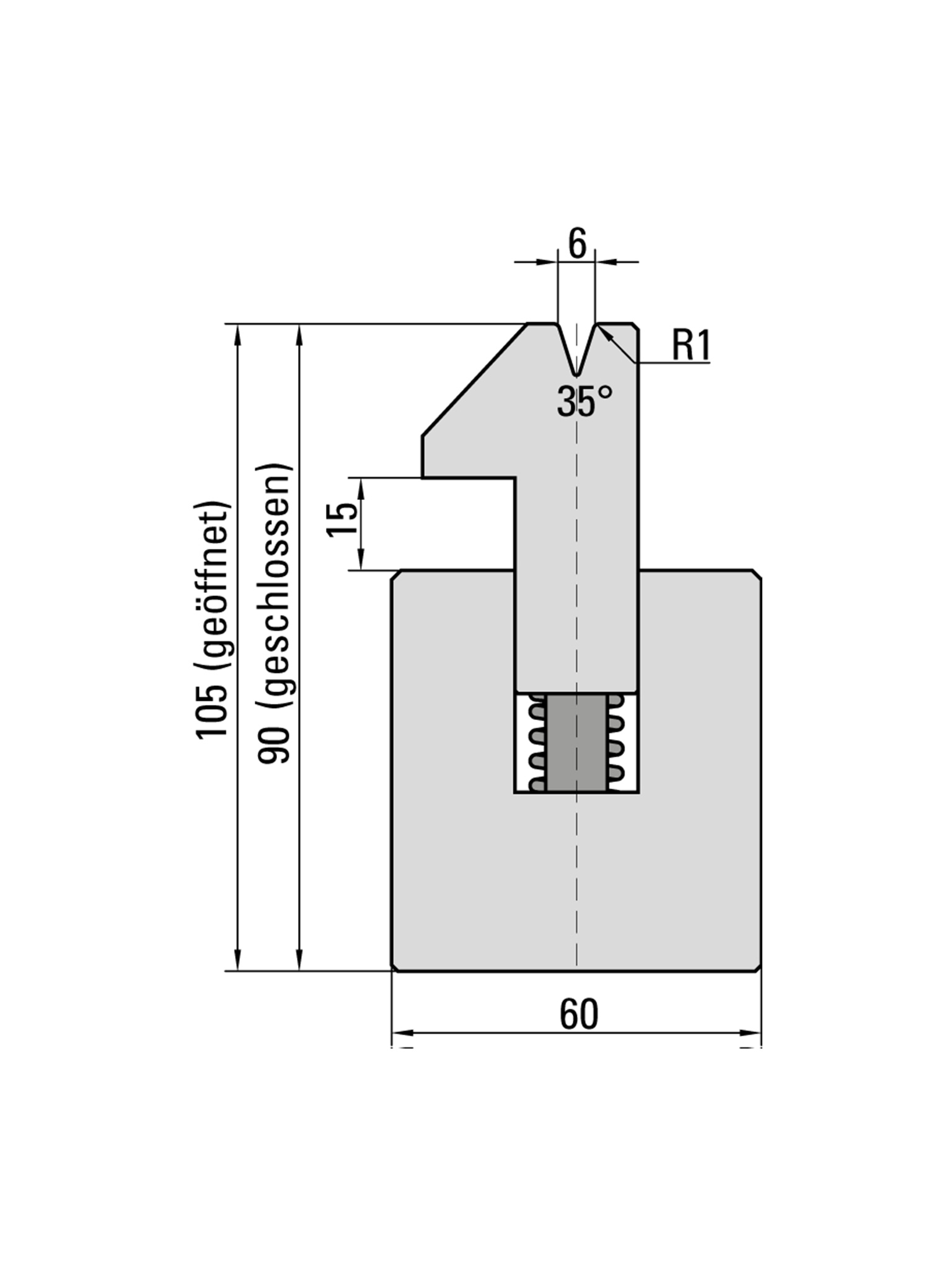
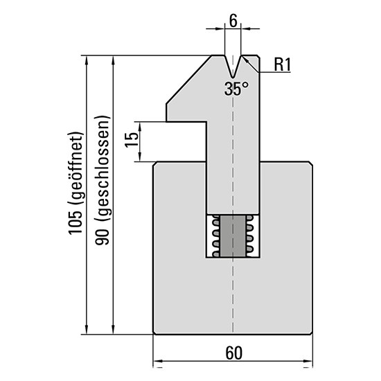
We manufacture flatten tooling and press brake hemming die tools,including spring-loaded flattening dies  and pneumatic hemming tools,as well as hydraulically lifted hemming tables.

 

Press brake hemming dies and flatten tooling be designed for hemming and flat workpiece.

The press brake hemming die have Spring-loaded hemming die and Pneumatic hemming dies, Jaminnar spring loaded hemming tools for Press Brakes cut down on manufacturing cost can be used with your current press brake punch tooling.

If you don't know how to choose, pls let us your workpiece drawings with the material and thickness of the board.

Chat Now
Have a project, need a helping hand?

Chat Now

Whether you need standard or custom tool, we support OEM & ODM & wholesale orders with competitive prices. If you don't know how to choose the tools for you workpiece, pls provide your workpiece size, plate thickness, radius,angle, material and so on.
submit

Chat Now

Chat Now
Welcome to online chat! If you have any questions or suggestions, please send them to us online, we will reply you as soon as we can!
submit
Contact Us :pressbraketooling@hotmail.com

Home

products

WhatsApp

contact