You can contact us any way that is convenient for you. We are available 24/7 via fax, email or telephone. We welcome your cooperation and will develop together with you.
You can contact us any way that is convenient for you. We are available 24/7 via fax, email or telephone. We welcome your cooperation and will develop together with you.
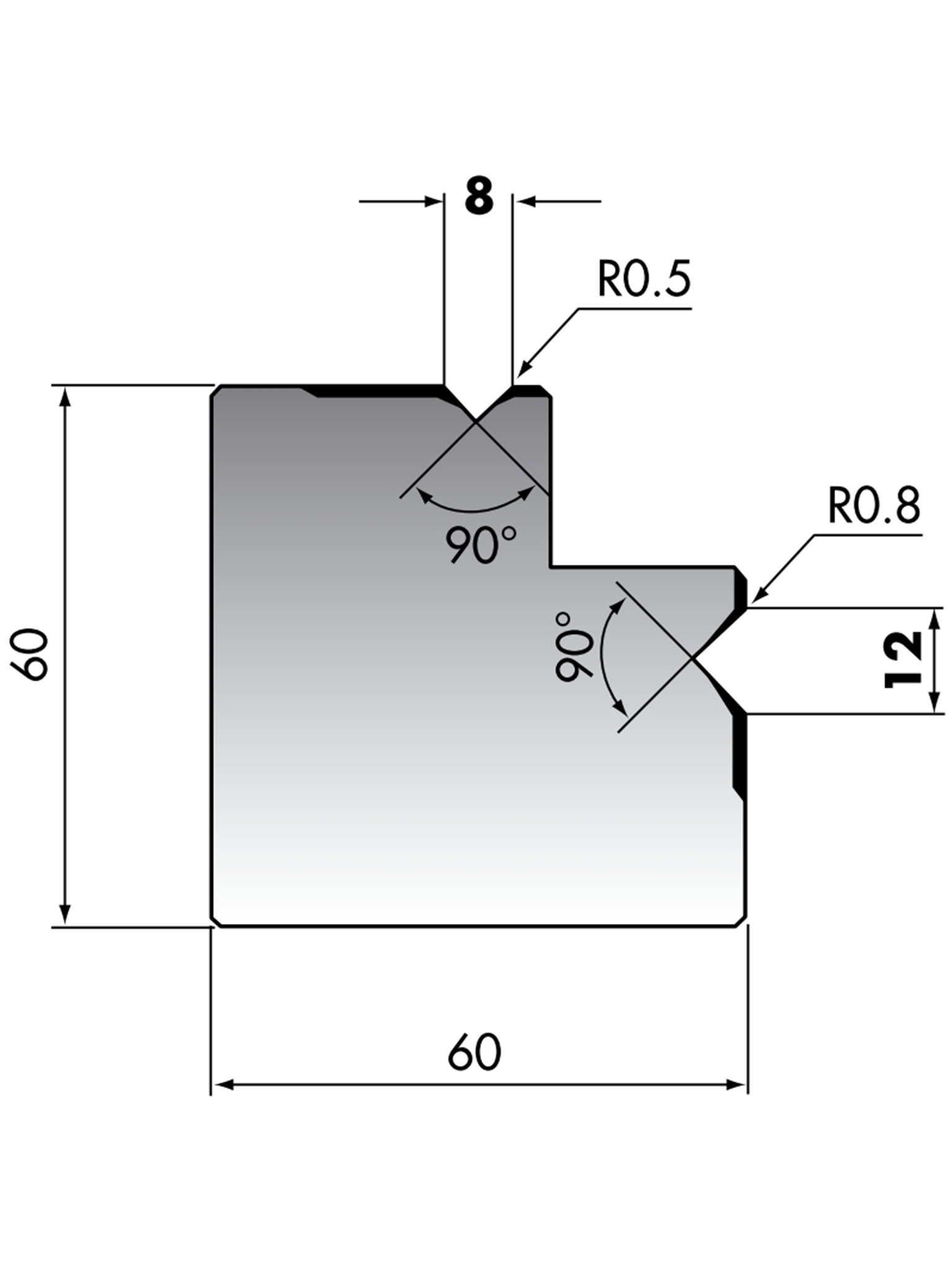
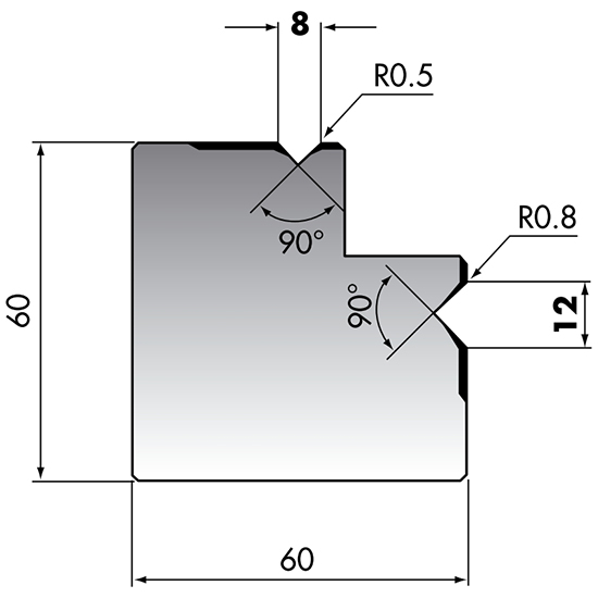
V8 and V12 bend 1-1.5mm sheet metal plate, the square die size:60*60*835mm, V8-V12, 90degree. the weight is 21kg. the material is 42CrMo4, hardness is HRC47+/-3.
The T-V die size:120*60*835mm, V12, 85degree. the material is 42CrMo4, hardness is HRC52-58. 88°, 85°, 80°, 60°, 45°, 35°, 30°, 26° and V6, V8, V10, V16, V20, V25 can be made according to customer's request.
The T-V die size:120*60*835mm, V12, 30degree. the material is 42CrMo4, hardness is HRC52-58. 88°, 85°, 80°, 60°, 45°, 35°, 30°, 26° and V6, V8, V10, V16, V20, V25 can be made according to customer's request.
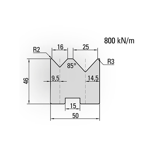
The self centering 2V dies, the size is 46*50* 835mm, 88degree, the weight is 13kg. and we can make V5-V9, V8-V12, V12-V20, V16-V25 and other V opening according the bending thickness.
Package: Multi plywood
You can contact us any way that is convenient for you. We are available 24/7 via fax, email or telephone. We welcome your cooperation and will develop together with you.